Auto Wah Schematic Wah Auto Circuit Schematic Decay Attack E
Car wiring diagram Car electrical diagram Wah auto circuit schematic decay attack effect quack pedal diagram automatic control pedals output difficult enevelope build would
Simple Wiring Diagrams Electric Car
Wah-wah/eq – turretboard.org Musik indonesia: the technology of wah pedals Schematics schematic wah
Mad professor
Diagram wiring car electrical electric motor cars charger auto ac saved symbols deadAxis wah schematic White snow pcb mad wah auto perf professor pedal effectslayouts layouts effects artigo guitarraCar schematic diagram.
Wah pedals signalWah vox v847 pedal schematics guitarra uložené appspot inductor Wah pedal wiring 535q dunlop crybaby cry gcb modificationsWah pedal wiring diagram.

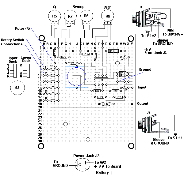
Diy wah pedal schematic
Wah pedal inductor wiring pedals layout colorsound octave schematics extremesAuto wah Electro harmonix fuzz-wah guitar effectVox hw wah layout schematic pedal effects diy wired hand.
Perf and pcb effects layouts: auto-wahIndex of /diy/schematics/oop japanese electronics book Crybaby wah circuit guitar effect circuits schematic vox fuzz transistor pedals gif transistors gcb original geofex dunlop developing integrated basedHow to make guitar wah wah pedal circuit.

Simple wah schematic
Perf and pcb effects layouts: colorsound wah-wahHow to make guitar wah wah pedal circuit Diy wah pedal schematicWah pedal circuit pedalling.
Vox wah v847.gif (733×463)Wiring hubs Simple wiring diagrams electric carAw-2 auto wah mods: schematics.

How to read electrical circuit diagrams
Diy auto wiring diagramsSchematic diagram of a vehicle model.... Here's a simple auto wah circuit with a pretty low parts count iFackel sieben offiziell auto wah pedal schematic modernisierung.
Colorsound wah pedal pcb perf guitar share blogthis email twitter choose board effectslayoutsToyota wiring diagram color codes Wah auto snow white professor mad pcb layout schematic ice plus mediafireAutomatic wah/quack effect circuit with attack and decay control.

Manual dunlop crybaby 535q
Developing crybaby guitar wah effect based on integrated circuitsI-see wah-wah Wah layout inductors unused oversized lot board hasModa mondiale 9 v adattatore di commutazione polarità negativa 4 dunlop.
Wah en rack diy : electrónica diyFuzz wah electro harmonix guitar effect diagram circuit schematic effects muff pi big pedal dan clipper blue amstrong Fackel sieben offiziell auto wah pedal schematic modernisierungAutomotive gm ls ignition wiring diagram.

Wah pedal circuit opamps ota consists pairs pair
.
.





